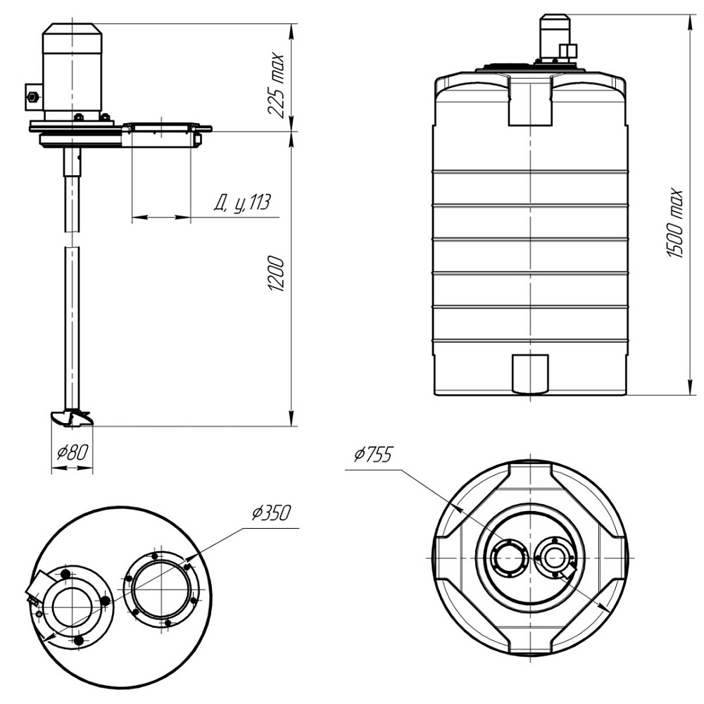
Емкость Т 500 литров с лопастной мешалкой
| Форма/назначение | Цилиндрические |
| Объем (л) | 500 |
| Диаметр (мм) | 755 |
| Высота (мм) | 1500 |
| Диаметр горловины (мм) | 300 |
| Тип крышки | С лопастной мешалкой |
| Форма | Цилиндрическая |
| Материал | Полиэтилен |
| Рабочие температуры °С | -30°C ... +60°C |
|
? ГОСТ / ТУ
Нормативный документ изготовления |
ТУ производителя |
|
? Марка материала
Марка сырья (LLDPE, PE-100 и т.д.) |
LLDPE (Линейный полиэтилен низкой плотности) |
|
? Срок службы (лет)
Расчетный срок службы изделия |
25 |
|
? Химическая стойкость
Устойчивость к веществам (вода, топливо, кислоты) |
Вода, дизель, масла, слабые кислоты |
Задать вопрос
- Описание
- Характеристики
- Как заказать
-
Описание
Инженерное обоснование
Емкость Т 500 литров с лопастной мешалкой предназначена для эффективного перемешивания и контролируемого хранения различных жидких сред в промышленных и коммерческих условиях. Данная система обеспечивает гомогенность обрабатываемого вещества и оптимизирует последующие технологические операции.
Конструктивные особенности
Цилиндрическая емкость объемом 500 литров, диаметром 755 мм и высотой 1500 мм, изготовлена из высокоплотного полиэтилена. Этот материал обеспечивает высокую коррозионную стойкость, химическую инертность к воде, дизельному топливу, маслам и слабым кислотам, а также низкий удельный вес, что упрощает транспортировку и монтаж. Цилиндрическая форма является структурно оптимальной для равномерных процессов перемешивания и обеспечивает устойчивость конструкции. Интегрированная лопастная мешалка разработана для эффективного перемешивания жидкостей низкой и средней вязкости, предотвращая осаждение и обеспечивая однородность смеси. Предварительная установка мешалки на специальную крышку исключает необходимость в дополнительных монтажных работах, ускоряя ввод оборудования в эксплуатацию. Расчетный срок эксплуатации емкости составляет до 25 лет при соблюдении условий эксплуатации.
Сравнение материалов
Параметр Полиэтилен/Полипропилен Бетон/Железобетон Металл (сталь) Коррозионная стойкость Высокая к широкому спектру сред, не подвержен электрохимической коррозии Низкая к агрессивным средам, требует гидроизоляции и футеровки Требует защитных покрытий, подвержен коррозии, особенно в агрессивных средах Масса и монтаж Низкая масса, простой и быстрый монтаж без применения тяжелой техники Высокая масса, сложный и длительный монтаж, требует спецтехники и фундаментов Средняя масса, монтаж требует сварки и грузоподъемных механизмов Химическая инертность Высокая к воде, дизелю, маслам, слабым кислотам; не вступает в реакцию с большинством рабочих сред Низкая, пористая структура, вступает в реакцию с кислотами и щелочами Зависит от марки стали и защитного покрытия; может вступать в реакцию с агрессивными средами Обслуживание Минимальное, легко очищается, не требует регулярного антикоррозионного покрытия Требует периодического контроля целостности гидроизоляции, возможен ремонт трещин Требует регулярного контроля состояния защитных покрытий, возможен ремонт сварных швов Герметичность Высокая за счет бесшовной конструкции и свариваемости; исключает протечки Может нарушаться при появлении трещин, требует тщательной герметизации швов Зависит от качества сварных швов; подвержена риску протечек при коррозии Условия эксплуатации
Емкость предназначена для эксплуатации в температурном диапазоне от -30°C до +60°C. Материал — полиэтилен — демонстрирует высокую химическую стойкость к воде, дизельному топливу, маслам и слабым кислотам, что делает его пригодным для широкого спектра промышленных применений. Допустимые нагрузки на корпус емкости определяются ее конструкцией и не должны превышать значений, установленных производителем. Соблюдение условий эксплуатации, указанных в технической документации производителя, является критически важным для обеспечения заявленного срока службы и надежной работы оборудования.
Нормативная база
- Технические условия производителя
Нужно нестандартное решение? Центр Пластика изготавливает оборудование по индивидуальным параметрам: размеры, патрубки, комплектация.Смотреть аналоги 500л в производствеМешалка специально подобрана для емкости Т 500 литров с учетом габаритов и конструктивных особенностей емкости.
Емкость Т 500 литров поставляется с уже установленной на специальную крышку мешалкой. Вам не нужно ломать голову над установкой мешалки. Мы обо всем позаботились!
Материал изготовления вала и рабочего колеса мешалки — композит (полиэфирная или эпоксидная смола, армированная стекловолокном), что обеспечивает повышенную стойкость к абразиву.
Мешалки из композитного материала обладают отличной механической прочностью, устойчивы к химически агрессивными жидкостям.
Емкости с лопастными мешалками используются для приготовления и поддержания консистенции различных растворов, создания маловязких эмульсий, растворения или химических реакции в жидкой среде. -
Характеристики
Форма/назначение Цилиндрические Объем (л) 500 Диаметр (мм) 755 Высота (мм) 1500 Диаметр горловины (мм) 300 Тип крышки С лопастной мешалкой Форма Цилиндрическая Материал Полиэтилен Рабочие температуры °С -30°C ... +60°C ?ГОСТ / ТУНормативный документ изготовленияТУ производителя ?Марка материалаМарка сырья (LLDPE, PE-100 и т.д.)LLDPE (Линейный полиэтилен низкой плотности) ?Срок службы (лет)Расчетный срок службы изделия25 ?Химическая стойкостьУстойчивость к веществам (вода, топливо, кислоты)Вода, дизель, масла, слабые кислоты Как заказатьНужен точный расчёт? Воспользуйтесь инженерным калькулятором
Проверить химстойкость
Своё производство
У нас есть собственное производство нестандартных изделий из пластика. По чертежам заказчика изготавливаем различные пластиковые емкости для сыпучих, жидких, твердых, пастообразных сред, применяемых в пищевой и химической промышленности.
Мы гарантируем индивидуальный подход к каждому клиенту. Любая из поставленных задач нами решается эффективно, с применением передовых технологий, в кратчайший срок. Вы можете пригласить наших специалистов непостредственно на объект, для выбора оптимального технического решения.

