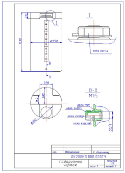
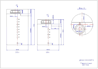
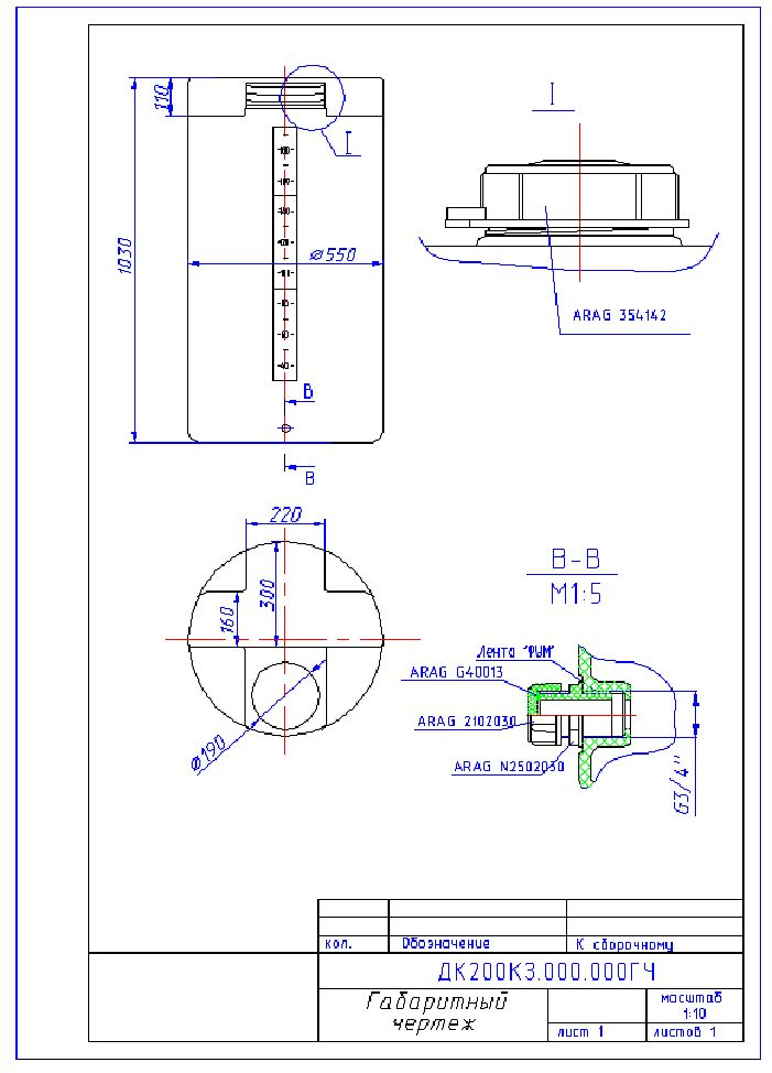
Подставка ПС-ДК для дозировочных контейнеров ДК60, ДК100, ДК200
| Высота (мм) | 420 |
| Длина (мм) | 550 |
| Ширина (мм) | 550 |
| Материал | Полипропилен Проверить стойкость к вашей химии |
Задать вопрос
- Описание
- Технические характеристики
- Как заказать
-
Описание
Инженерное обоснование
Подставка ПС-ДК представляет собой специализированное вспомогательное оборудование, предназначенное для надежной и безопасной установки дозировочных контейнеров серий ДК60, ДК100 и ДК200. Ее применение обеспечивает стабильное положение емкостей при работе с агрессивными химическими реагентами, минимизируя риск опрокидывания и разливов в промышленных условиях.
Конструктивные особенности
Изделие изготавливается из высококачественного полипропилена (ПП) методом экструзии, что обеспечивает однородность материала и высокую прочность сварных швов. Конструкция подставки имеет прямоугольную форму с усиленными элементами, рассчитанными на восприятие весовых нагрузок от заполненных дозировочных контейнеров. Применение полипропилена гарантирует высокую химическую стойкость к большинству кислот, щелочей и солей, что критически важно при работе с промышленными реагентами. Геометрические параметры подставки точно соответствуют установочным размерам дозировочных контейнеров ДК60, ДК100 и ДК200, обеспечивая их надежную фиксацию. Возможно изготовление подставок по индивидуальным размерам и конфигурациям для интеграции в существующие технологические линии.
Сравнение материалов
Параметр Полиэтилен/Полипропилен Бетон/Железобетон Металл (сталь) Химическая стойкость Высокая к агрессивным средам (кислоты, щелочи, соли) Низкая, подвержен коррозии при контакте с агрессивными средами Низкая, подвержен коррозии, требует защитных покрытий Масса конструкции Низкая, облегчает транспортировку и монтаж Высокая, требует усиленного основания и спецтехники Средняя, зависит от толщины металла и конструкции Коррозионная устойчивость Полное отсутствие электрохимической коррозии Подвержен коррозии арматуры, разрушению структуры Высокая подверженность коррозии, особенно без защиты Обслуживание/Уход Простота очистки, не требует покраски и антикоррозийной обработки Сложность очистки, возможно образование высолов и трещин Требует регулярной очистки, покраски, контроля защитных покрытий Срок службы Расчетный срок эксплуатации до 50 лет при соблюдении условий Расчетный срок эксплуатации до 50-100 лет, но подвержен разрушению от агрессивных сред Расчетный срок эксплуатации до 20-30 лет, сильно зависит от коррозии и защитных мер Условия эксплуатации
Подставка ПС-ДК предназначена для эксплуатации в температурном диапазоне от -5°C до +80°C. Материал изделия – полипропилен – обладает высокой химической стойкостью к широкому спектру агрессивных сред, включая концентрированные кислоты, щелочи и растворы солей, что позволяет использовать ее в условиях промышленных производств, гальванических цехов и химических лабораторий. Конструкция рассчитана на статические нагрузки от заполненных дозировочных контейнеров, обеспечивая их устойчивость. Расчетный срок эксплуатации изделия составляет до 50 лет при соблюдении условий эксплуатации и отсутствии механических повреждений.
Нормативная база
- ГОСТ Р 56730-2015 «Изделия из полимерных материалов. Общие технические условия»
- ГОСТ 12.2.003-91 «Система стандартов безопасности труда. Оборудование производственное. Общие требования безопасности»
- ГОСТ 15150-69 «Машины, приборы и другие технические изделия. Исполнения для различных климатических районов. Категории, условия эксплуатации, хранения и транспортирования в части воздействия климатических факторов внешней среды»
Подставка ПС-ДК предназначена для установки дозировочных контейнеров серий ДК60, ДК100 и ДК200. Изготовлена из полипропилена методом экструзии. Конструкция подставки обеспечивает устойчивость и удобство эксплуатации дозировочных контейнеров. Подставка имеет прямоугольную форму с усиленной конструкцией для обеспечения надежной поддержки контейнера. Материал изготовления – полипропилен – обеспечивает устойчивость к воздействию химических веществ, содержащихся в дозируемых растворах, а также к коррозии и механическим повреждениям. Подставка рассчитана на эксплуатацию в широком диапазоне температур (от -40 до +50 °С). Установка подставки производится на ровную поверхность. Не требует специального обслуживания. Допускается очистка поверхности подставки водой с использованием моющих средств, не содержащих абразивных частиц.
Частые вопросы
Какие химические вещества могут контактировать с подставкой?Подставка устойчива к большинству химических веществ, используемых в дозируемых растворах.
Каков срок службы подставки?Срок службы подставки зависит от условий эксплуатации и интенсивности использования, но при соблюдении рекомендаций производителя составляет не менее 10 лет.
Какие меры предосторожности следует соблюдать при эксплуатации?Не допускается использование абразивных чистящих средств. Рекомендуется установка на ровную поверхность.
-
Характеристики
Высота (мм) 420 Длина (мм) 550 Ширина (мм) 550 Материал Полипропилен Как заказатьНужен точный расчёт? Воспользуйтесь инженерным калькулятором
Проверить химстойкость
Своё производство
У нас есть собственное производство нестандартных изделий из пластика. По чертежам заказчика изготавливаем различные пластиковые емкости для сыпучих, жидких, твердых, пастообразных сред, применяемых в пищевой и химической промышленности.
Мы гарантируем индивидуальный подход к каждому клиенту. Любая из поставленных задач нами решается эффективно, с применением передовых технологий, в кратчайший срок. Вы можете пригласить наших специалистов непостредственно на объект, для выбора оптимального технического решения.


